华球(中国)有限公司
关于我们
公司介绍
组织架构
资质荣誉
大事记
控股子公司
富邦公司
天乇科技
江苏天华
新闻报道
公司动态
国资要闻
产品与服务
无机
有机
服务中心
营销网络
投诉监督
投资者关系
投资者关系
党的建设
党建动态
群团工作
文化建设
企业文化
先进典型
国家级先进典型
省级先进典型
市级先进典型
社会责任
社会责任
帮扶捐赠
信息公开
公示公告
招投标公告
安全环保公告
通知公告
招聘信息
在线留言
联系方式
电采平台
举报方式
举报方式
搜索
天华官方微信公众号
天华官方抖音号
天华官方微信视频号
网站支持IPv6
公示公告
招投标公告
安全环保公告
通知公告
招聘信息
在线留言
联系方式
当前位置:
华球(中国)有限公司
>
信息公开
>
安全环保公告
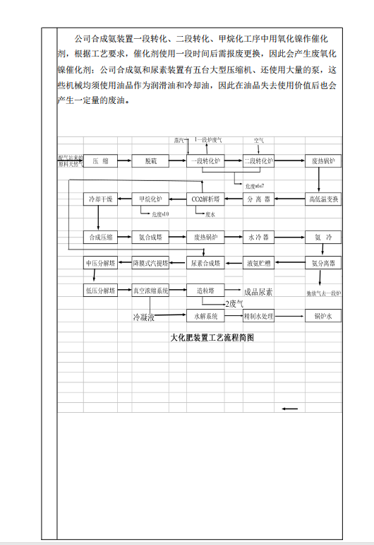
天华2020年度危废管理计划
作者:天华化工
来源:www.jyinchuan.com
发布时间:2020-06-18
浏览量:4356
上一篇:
四川天华股份有限公司废水监测数据公示
下一篇:
富邦2020年度危险废物管理计划
推荐新闻
华球平台 2025年第一次临时股东会会议决议
华球平台关于召开2025年第一次临时股东会会议的通知
四川天华后勤服务有限公司办公设备维修服务采购公告
四川天华集团2024年度社会责任报告
四川天华集团2024年度社会责任报告
四川天华富邦化工有限责任公司房屋招租公告
华球平台绿色环保提升项目施工图技术审查服务采购公告
华球平台2025年度生产装置土建维修服务承包商询价公告
华球平台2024年度股东会会议决议
华球平台2025年度生产装置土建维修服务承包商询价公告
开云手机网页登录
|
中国·世俱杯「FIFA」官方网站
|
开云官方网页版
|
开云手机登录中心
|
米兰体育·(中国区)官方网站
|
qy球友会·(千亿)官方网站
|
华亿集团
|
米兰网页版登录入口-米兰(中国)
|
米兰体育在线登录
|